logo
 
产品展示
PRODUCTS SHOW
产品分类
浏览量:
1000

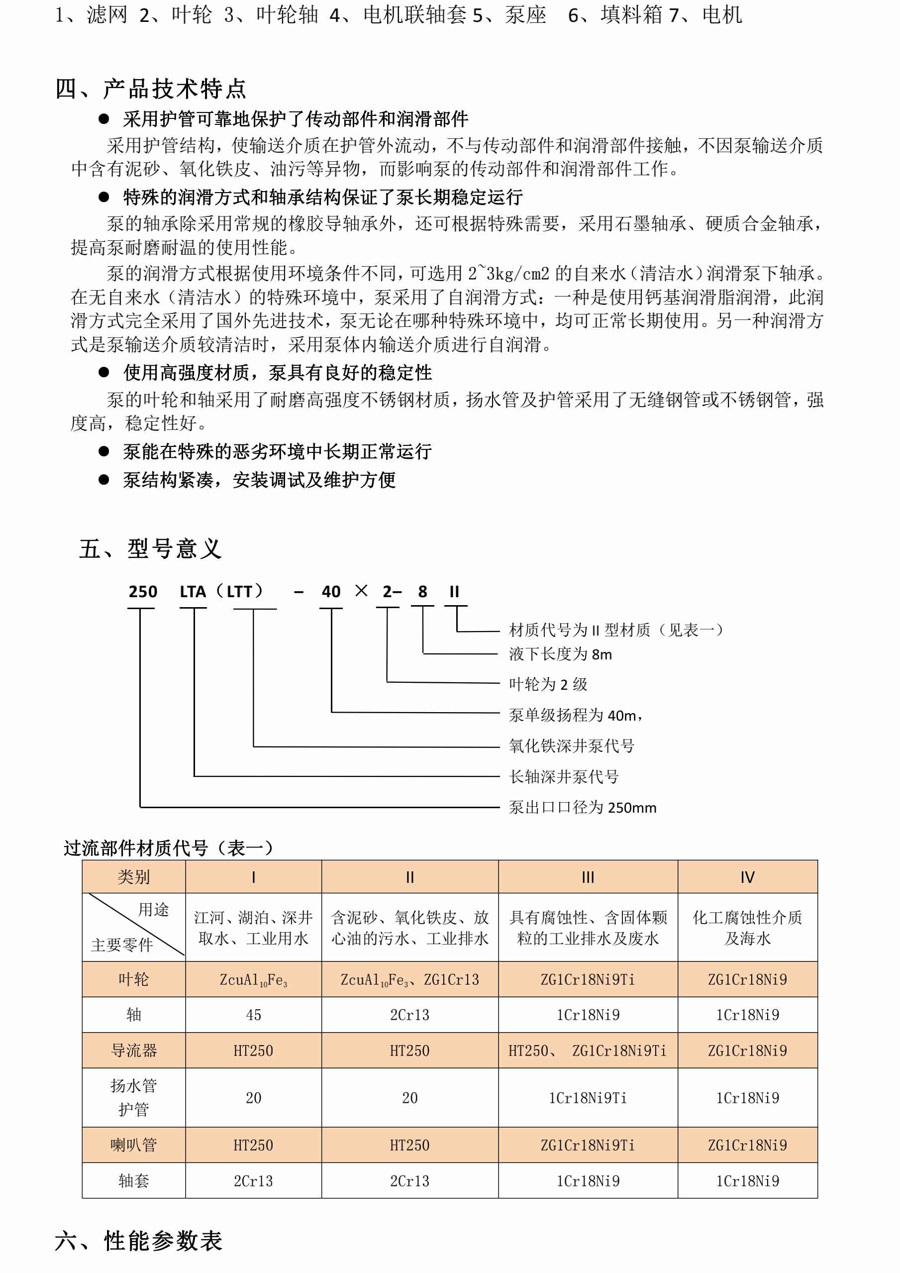
LTA型深井泵

零售价
0.0
市场价
0.0
浏览量:
1000
产品编号
数量
-
+
库存:
0
所属分类
返回列表
1
产品描述
参数

扫二维码用手机看
未找到相应参数组,请于后台属性模板中添加

 

底部版权

发布时间:2020-01-20 00:00:00

手机版权

发布时间:2020-02-03 00:00:00

页面版权:北京敬轩有机农业发展有限公司